About Us   Products   New Products   Technical Information   News   Order Online   Contact Us
 
  Ningbo Long I Metal Industry Co.,Ltd.
Email: sales@longi.cn
Tel:+86 (0)574 8617 8209
Fax:+86 (0)574-8617 8210
M.Phone:013905746088
Web: Http://www.longi.cn/
Add: Bldg. 7, No. 36 Lane 68 Fenglinlu Rd., Xiaogang, Beilun, Ningbo, Zhejiang, P. R. China
Post Code: 315822
 
 
   You are in: HOME > PRODUCTS > Nuts > JIS B 1181 Hexagon Nuts and Hexagon Thin Nuts with Whitworth Coarse Tthread
 

JIS B 1181 Hexagon Nuts and Hexagon Thin Nuts with Whitworth Coarse Tthread

 
 
JIS B 1181 Hexagon Nuts and Hexagon Thin Nuts with Whitworth Coarse Tthread
DIN Hexagon Nuts
 
Thread size
W 1/8
W 5/32
W 3/16
W 1/4
W 5/16
W 3/8
W 7/16
W 1/2
W 5/8
W 3/4
W 7/8
W 1
W 1 1/8
W 1 1/4
W 1 3/8
W 1 1/2
Thread per inch
32
32
24
20
18
16
14
12
11
10
9
8
7
7
6
6
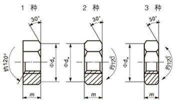
smax
5.5
7
8
10
14
17
19
21
26
32
35
41
46
50
54
58
eabout
6.4
8.1
9.2
11.5
16.1
19.6
21.9
24.2
30
37
40.4
47.3
53.1
57.7
62.3
66.9
Type 1/2
mmax
2.4
3.2
4.0
5.0
6.5
8.0
9.0
10.0
13.0
16.0
18.0
20.0
22.0
25.0
28.0
30.0
Type 3
m1max
 
 
 
3.6
5.0
6.0
7.0
7.0
10.0
12.0
13.0
16.0
18.0
20.0
21.0
23.0
 

<<< [ BACK ]                     

  

Copyright © NINGBO LONG I METAL INDUSTRY CO.,LTD. All rights reserved.