About Us   Products   New Products   Technical Information   News   Order Online   Contact Us
 
  Ningbo Long I Metal Industry Co.,Ltd.
Email: sales@longi.cn
Tel:+86 (0)574 8617 8209
Fax:+86 (0)574-8617 8210
M.Phone:013905746088
Web: Http://www.longi.cn/
Add: Bldg. 7, No. 36 Lane 68 Fenglinlu Rd., Xiaogang, Beilun, Ningbo, Zhejiang, P. R. China
Post Code: 315822
 
 
   You are in: HOME > Technical Information > Tolerances for fasteners > ISO 4759/1 - 1978(E) Tolerances for fasteners - Part 1 : Bolts, screws and nuts with thread diameters≧1.6 and≦150 mm and product A, B and C
 
 
Feature
Tolerance t for product grades
Notes
A
B
C
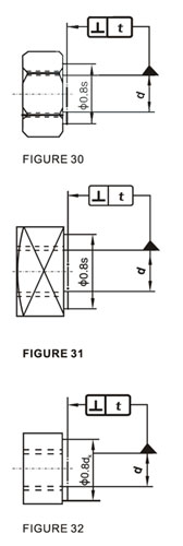
11.2 Perpendicularity
     
d
measuring circle: 0.8 X width across flats or 0.8 x outside diameter
0.05
-
1.6
2
0.01
2.5
3
3.5
4
0.15
0.30
5
6
7
0.18
0.36
8
0.24
0.48
10
0.27
0.54
12
0.31
0.62
14
0.34
0.68
16
0.38
0.76
18
0.42
0.84
20
0.45
0.90
22
0.50
1.00
24
0.57
1.14
27
0.64
1.28
30
0.70
1.40
33
0.77
1.54
36
0.84
1.68
39
0.45
0.90
42
0.49
0.98
45
0.52
1.04
48
0.56
1.12
52
[<< back]         

Copyright © NINGBO LONG I METAL INDUSTRY CO.,LTD. All rights reserved.