About Us   Products   New Products   Technical Information   News   Order Online   Contact Us
 
  Ningbo Long I Metal Industry Co.,Ltd.
Email: sales@longi.cn
Tel:+86 (0)574 8617 8209
Fax:+86 (0)574-8617 8210
M.Phone:013905746088
Web: Http://www.longi.cn/
Add: Bldg. 7, No. 36 Lane 68 Fenglinlu Rd., Xiaogang, Beilun, Ningbo, Zhejiang, P. R. China
Post Code: 315822
 
 
   You are in: HOME > PRODUCTS > Bolts and Stud > AS ME B18.2.1-1996 Heavy Hex Bolts
 

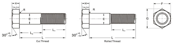
AS ME B18.2.1-1996 Heavy Hex Bolts

 
 
 
 

AS ME B18.2.1-1996 Heavy Hex Bolts

 
Thread size
1/2
5/8
3/4
7/8
1
1 1/8
1 1/4
1 3/8
1 1/2
1 3/4
2
2 1/4
2 1/2
2 3/4
3
Fmax
7/8
1 11/1 6
1- 1/4
1- 7/16
1-5/8
1-13/16
2
2-3/16
2-3/8
2-3/4
3-1/8
3-1/2
3-7/8
4-1/4
4-5/8
Gmin
0.969
1.175
1.383
1.589
1.796
2.002
2.209
2.416
2.622
3.035
3.449
3.862
4.275
4.688
5.102
H
11/ 32
27/64
1/2
37/64
43/64
3/4
27/32
29/32
1
1-5/32
1-11/32
1-1/2
1-21/32
1-13/16
2
Emax
0.500
0.625
0.750
0.875
1.000
1.125
1.250
1.375
1.500
1.750
2.000
2.250
2.500
2.750
3. 000
Emin
0.482
0.605
0.729
0.852
0.976
1.098
1.223
1.345
1.470
1.716
1.964
2.214
2.461
2.711
2.961
Rmin Radius of Fillet
0.01
0.02
0.02
0.02
0.03
0.03
0.03
0.03
0.03
0.04
0.04
0.06
0.06
0.06
0.06
LT Thread Lngth.
1.250
1.500
1.750
2.000
2.250
2.500
2.750
3.000
3.250
3.750
4.250
4.750
5.250
5.750
6.250
1.500
1.750
2.000
2.250
2.500
2.750
3.000
3.250
3.500
4.000
4.500
5.000
5.500
6.000
6.500

 

<<< [ BACK ]                     

  

Copyright © NINGBO LONG I METAL INDUSTRY CO.,LTD. All rights reserved.