About Us   Products   New Products   Technical Information   News   Order Online   Contact Us
 
  Ningbo Long I Metal Industry Co.,Ltd.
Email: sales@longi.cn
Tel:+86 (0)574 8617 8209
Fax:+86 (0)574-8617 8210
M.Phone:013905746088
Web: Http://www.longi.cn/
Add: Bldg. 7, No. 36 Lane 68 Fenglinlu Rd., Xiaogang, Beilun, Ningbo, Zhejiang, P. R. China
Post Code: 315822
 
 
   You are in: HOME > PRODUCTS > Nuts > IFI D-21 Serrated Hex Flange Nuts
 

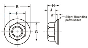
IFI D-21  Serrated Hex Flange Nuts

 

IFI D-21 Serrated Hex Flange Nuts

 
Thread size
No. 6
No. 8
No. 10
No. 12
1/4
5/16
3/8
7/16
1/2
9/16
5/8
3/4
Fmax
0.312
0.344
0.375
0.438
0.438
0.500
0.562
0.688
0.750
0.875
0.938
1.125
Gmin
0.342
0.381
0.416
0.488
0.488
0.557
0.628
0.768
0.840
0.982
1.051
1.240
H
0.156
0.187
0.203
0.222
0.222
0.268
0.330
0.375
0.437
0.483
0.545
0.627
B
0.406
0.452
0.480
0.574
0.574
0.660
0.728
0.910
1.000
1.155
1.248
1.460
k
0.10
0.13
0.13
0.14
0.14
0.17
0.23
0.26
0.31
0.35
0.40
0.46

<<< [ BACK ]                     

  

Copyright © NINGBO LONG I METAL INDUSTRY CO.,LTD. All rights reserved.